D series closed-loop Hall Effect current transducer
It is used to measure DC, AC and pulse currents and has a wide measuring range from tens of amps to one thousand amps. The primary and secondary sides are highly insulated. The housing complies with the UL94-V0 standard. Small size, light weight and no insertion loss.
Rated input: 0-±50A~±400A DC
Output: ±50mA, ±100mA, ±150mA,±200mA optional
Turns ratio: 1:1000, 1:2000
Accaracy: ±0.5%
Linearity:0.2%
Temperature drift: 0.025%/℃
Response time:<1µS
Isolation: 3KVRMS/50Hz/1Min
Operating temperature: -25℃~+85℃
Power supply: ±12V,±15V optional
Current consumption: ±20mA+output current
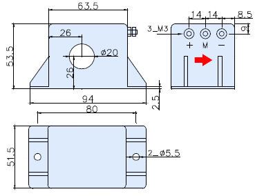
WIndow: ø20mm
Overload:20 times of the maximum value of measuring range
CE-IZ04-**D2-0.5

D2 case style(mm)

+: Positive power supply
-: Negative power supply
M: Signal output
G: Ground
Connection diagrams of dual power supply
