Three-phase three-wire AC voltage transducer
This device is a 3-phase AC voltage isolation transducer. Using the principle of electromagnetic isolation to measure the three-phase AC voltage signal, isolated and linearly output a variety of selectable standard signals. It can widely used in AC voltage signal real-time detection and monitoring, communications, electricity, railways, industrial control and other fields.
Test conditions: room temperature: 25°C;
Input Range: 0~1V~500VAC;
Output: voltage, current, frequency, tracking;
Power supply: 12VDC, 15VDC, 24VDC;
Accuracy: 0.5;
Load capacity: ≥2KΩ (voltage output), ≤250Ω (current output);
Temperature drift: ≤500ppm/°C;
Isolation voltage: ≥2500 V DC;
Response time: ≤300 mS
Rated power consumption: 0.5W (voltage output); 2W (current output);
Output ripple: ≤10m;
Frequency range: (45~65Hz up to 5K, please specify when ordering);
Surge immunity:
Power port level ± 0.5KV (L-N/2Ω/integrated wave)
Analog I / O port.± 0.5KV (L-N/40Ω/ integrated wave);
Impulse immunity: input/ power port ± 2K, analog I /O port ± 1KV;
Input overload capacity: Voltage: 2 times the nominal value;
Operating temperature: -10 ~ 60°C; humidity: ≤95 %( no dew);
Storage temperature: -55 ~+65°C; humidity: ≤95 % (no dew).


Product outline

Installation dimensions

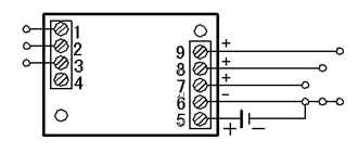
Wiring diagram of CE-VJ31 with voltage or current output

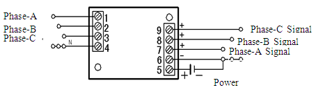
Wiring diagram of CE-VJ41 with voltage or current output
Easy installation
High precision, small size, low temperature drift;
Three-phase voltage independent of each other;
High reliability.
Customize various special products according to customer demand.
