Unmanned Equipment Rooms
Unmanned Equipement Rooms
Browse:3458TimesRelease Date:2017-08-15
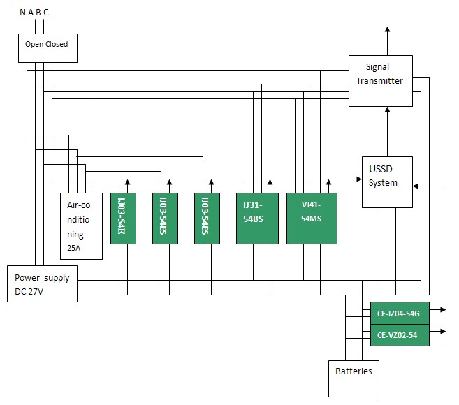
Transducers are mainly used to detect voltage, current and leakage current in power system of telecommunication industry.

Browse:3458TimesRelease Date:2017-08-15
Transducers are mainly used to detect voltage, current and leakage current in power system of telecommunication industry.

Copyright© 2019 SHENZHEN SENSOR ELECTRONIC TECHNOLOGY CO., LTD粤ICP备05079934号-9
